What is a Sprue Bushing?
You can think of a sprue bushing(also known as a sprue bush) as injection entrance component, typically made of hardened steel. Think of it as the connecting channel between the injection machine nozzle and the mold’s runner system. Its function is to precisely guide the molten plastic ejected from the nozzle into the mold cavity. To accomplish this task, it must achieve a precise fit with the nozzle, prevent leakage of high-temperature plastic, and maintain constant concentric alignment with the mold.
Due to prolonged exposure to repeated high temperatures and high pressures, the sprue bush’s structure requires requires a well-designed structure. HTX has enhanced the sprue bushing design to not only facilitate unimpeded plastic flow but also effectively prevent issues such as flash, material leakage, and even nozzle misalignment. This improvement significantly boosts production stability and product quality.
If you are looking for sprue bushing manufacturer, you may provide your request 1st, we can also custom it according to your drawing.
Sprue Bushings Categories
According to the varying mold structures and industry standards, the sprue bushings are classified into difference series.
B Series Sprue BushingThe most widely used standard model on the market, with a balanced structure and high versatility. It is suitable for medium to large molds and maintains stable performance in high-cycle production.
U Series Sprue BushingParticularly suited for small or high-precision mold designs, its small form factor occupies minimal space, making it the best choice for precision applications.
A Series Sprue BushingTraditional standard structure with classic design ensures not only stable installation and broad applicability, but also excellent thermal stability, delivering reliable overall performance.
Cold Runner Sprue BushingUsed in traditional cold runner mold systems. Its structure is simple and stable, easy for maintenance, and it is compatible with standard A, B, and U series mold bases.
Heated Sprue BushingUsed in molds equipped with temperature control systems, it maintains the plastic in the runner at an optimal temperature, ensuring more stable flow and preventing waste due to cooling.
Sprue Bushing Applications
As a core component of injection molds, sprue bushings are widely used in the production of plastic products.

Used in manufacturing structural parts such as dashboards and bumpers.

Ensures surface finish quality, and meets thin-wall molding requirements.

Withstands long-term continuous operation, extending mold service life.

Endures repeated heating and cooling, effectively shortening molding cycles.
How Does HTX`s Sprue Bushing Work?
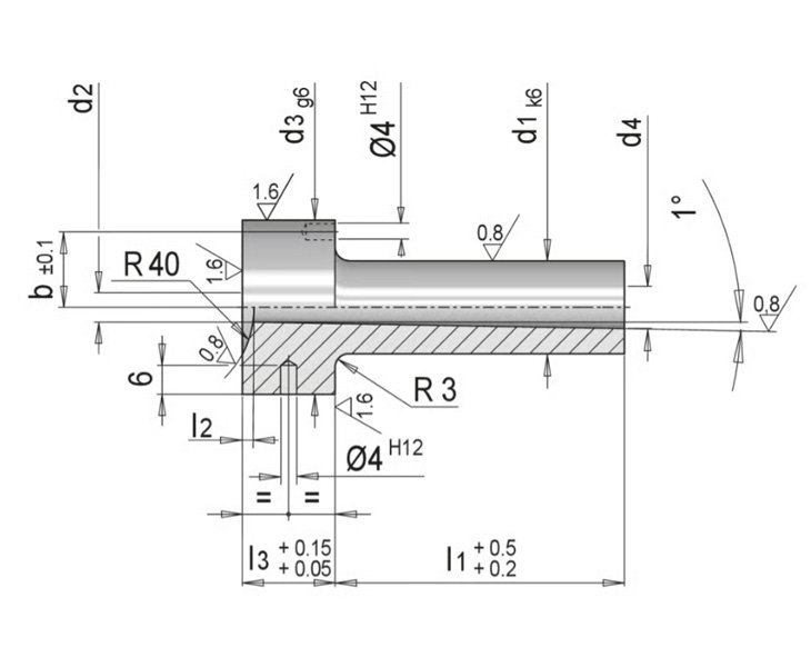
HTX`s sprue bushing primarily consists of the following components: the front end features a mating surface designed to tightly fit the injection molding machine nozzle, the middle section includes a tapered feed inlet and internal flow channels, while the rear end incorporates a locating head flange and a body for mounting onto the mold.
When using a sprue bushing, molten plastic first enters the conical inlet from the nozzle, then flows through the internal runner toward the mold’s runner system. HTX`s conical inlet design enhances sealing between the nozzle and sprue bushing, minimizing pressure loss during injection while effectively preventing plastic leakage.


Materials and Heat Treatment Processes
We select premium alloy tool steels, such as high-strength tool steel, to ensure the sprue bushing’s wear resistance and thermal stability. For optimal performance, heat treatment strengthening is available, with custom hardness levels tailored to your requirements.
In machining, we employ precision grinding to control surface quality while polishing the inner bore to ensure smooth plastic flow. All products undergo strict concentricity tolerance control. This ensures precise alignment between the sprue bushing and injection nozzle after installation, guaranteeing reliable sealing and preventing material leakage.
Custom Manufacturing Capabilities
Except our standard product lines, we offer custom solutions to meet your specific requirements. Whether it involves custom diameters, lengths, or nozzle angle designs, we can manufacture according to your drawings. We can utilize specialty steel materials and upgrade surface treatment processes.
In short, we will follow your specified dimensions and drawings, ensuring the final product perfectly meet your requirement, delivering both functionality and durability.

The most important thing include: mold base dimensions, injection machine nozzle type, installation space, production cycle, and whether the mold uses a cold runner or heating system. Consult our professional team for guidance.
It directly affects melt sealing, positioning accuracy, pressure transfer, and the overall stability at the cavity inlet.
Yes. Properly polished internal passages reduce flow resistance, enhancing material delivery efficiency.
Heated types are typically used when strict temperature stability is demanded, such as for specific engineering plastics or flow control applications.
Yes, but you need to choose the appropriate material and heat treatment processes 1st , ensure their wear resistance and thermal stability.



